VOCs廢氣排氣筒采樣口規范化設置

排放口規范化設置重要性
《大氣污染防治法》中明確指出,企事業單位和其他生產經營者向大氣排放污染物的,應當依照法律法規和國務院生態環境主管部門的規定設置大氣污染物排放口。
未按照規定設置大氣污染物排放口的,由縣級以上人民政府生態環境主管部門責令改正,處二萬元以上二十萬元以下的罰款;拒不改正的,責令停產整頓。
案例

排氣筒高度設置
概念:指排氣筒(或其主體建筑構造)所在的地面至排氣筒出口的高度。
——《大氣污染物綜合排放標準》(GB16297-1996)
環評和批復中排氣筒高度設置的依據

示例
《大氣污染物綜合排放標準》(GB16297-1996)
新建污染源的排氣筒一般不應低于15m。若某污染源的排氣筒必須低于15m時,其排放速率標準值按外推計算結果再嚴50%執行。
當某排氣筒的高度大于或小于本標準列出的最大或最小值時,以外推法計算其最高允許排放速率。
若排氣筒的高度處于本標準列出的兩個值之間,其執行的最高允許排放速率以內插法計算。
制鞋工業大氣污染物排放標準
4.3 其他污染控制要求
4.3.1 產生大氣污染物的生產工藝和裝置應設立局部或整體廢氣收集系統和凈化處理裝置。排氣筒高
度應按環境影響評價要求確定,且至少不低于15m。
排氣筒高出周圍建筑物要求

排放標識


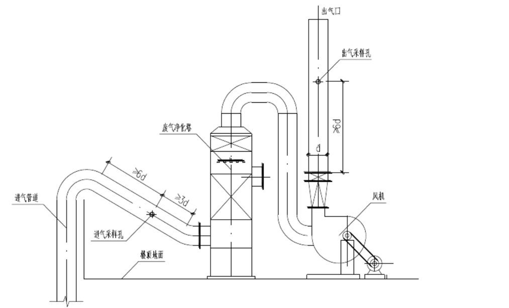
配套監測設施是污染企業環境保護設施的一部分 《建設項目竣工環境保護驗收管理辦法》第四條規定:“與建設項目有關的各項環境保護設施,包括為污染防治和保護環境所建成或配套的工程、設備、裝置和監測手段,各項生態保護設施。” 《建設項目竣工環境保護驗收技術指南 污染影響類》第2.3條關于環境保護設施術語定義為“環境保護設施是指防治環境污染和生態破壞以及開展環境監測所需的裝置、設備和工程設施等。” 配套監測設施是竣工驗收的前提 《建設項目竣工環境保護驗收技術指南 污染影響類》 4.3 .3其他環境保護設施中包含有“規范化排污口及監測設施、在線監測裝置”,嚴格按此實施,沒有配套環境監測設施將不具備環保“三同時”驗收條件。 指南附錄推薦“三同時”驗收監測報告模板4.2.2規范化排污口、監測設施及在線監測裝置一節中主要內容如下: 簡述廢水、廢氣排放口規范化及監測設施建設情況,如廢氣監測平臺建設、通往監測平臺通道、監測孔等;在線監測裝置的安裝位置、數量、型號、監測因子、監測數據是否聯網等。 配套監測設施是環保長效管理的一部分 《排污許可管理辦法(試行)》(環境保護部第48號令)要求企業落實自行監測制度,《排污單位自行監測技術指南 總則》(HJ 819-2017)第4節自行監測的一般技術要求第2點設置和維護監測設施中規定“排污單位應按照規定設置滿足開展監測所需要的監測設施。廢水排放口,廢氣(采樣) 監測平臺、監測斷面和監測孔的設置應符合監測規范要求。監測平臺應便于開展監測活動, 應能保證監測人員的安全。” 環境監測技術規范中有關監測條件要求中都有對配套監測設施的要求:《固定源廢氣監測技術規范》中對監測條件的準備中有如下要求”在確定的采樣位置開設采樣孔,設置采樣平臺,采樣平臺應該有足夠的工作面積,保證監測人員安全和方便操作。“ 《重點工業企業揮發性有機物排放標準》(DB3301/T0277—2018)中監測要求“排氣筒應按照環境監測管理規定和技術規范的要求,設計、建設、維護永久性采樣口、采樣監測平臺和排污口標志。” 采樣位置確定 (點擊查看大圖▲) 示例 采樣孔 示例 監測平臺 鍋爐大氣污染物排放標準(DB3301/T 0250-2018) 涉及低濃度顆粒物采樣的排放口,至少設置2個采樣孔。 鍋爐大氣污染物排放標準(DB3301/T 0250-2018) (點擊查看大圖▲) 《杭州市污染物排放口規范化技術規范(試行)》 GB4053-2009固定式鋼梯及平 臺安全要求 示例 采用叉車作為采樣平臺, 有安全隱患; 采樣孔距變徑處過近▲ 臨時搭建的腳手架、木板, 有安全隱患; 采樣孔距變徑處過近▲ 平臺無規范扶手、爬梯無防護措施 且已生銹,有安全隱患; 采樣孔距變徑處過近▲ 采樣孔開孔位置太靠近彎道; 無配套監測平臺▲ 無監測平臺; 采樣孔位置不符合規范要求▲ 基本符合要求▲ 采樣口位置符合要求; 采樣平臺足夠大,有供電; 未采用Z字爬梯▲ 采樣口位置位于彎道附近; 附近無供電▲ 監測平臺太擁擠▲ 采樣孔過于靠近匯流口▲

采樣孔
監測平臺
連接平臺的通道


鍋爐大氣污染物排放標準(DB3301/T 0250-2018)
















來源:網絡,VOCs減排工作站再編輯。
免責聲明:所載內容、圖片來源互聯網,微信公眾號及單位/個人投稿等公開渠道,我們對文中觀點保持中立,僅供參考,交流之目的。轉載的稿件版權歸原作者和機構所有,如有侵權,請聯系我們刪除。
