9死1傷,坍塌前一層承重墻連續被拆除!9人被采取刑事強制措施!調查報告出爐
1月31日,哈爾濱市應急管理局公布《哈爾濱市道里區哈爾濱市玉手食品有限責任公司庫房“8·4”較大坍塌事故調查報告》。事故調查組認定,此次事故是一起較大生產安全責任事故。
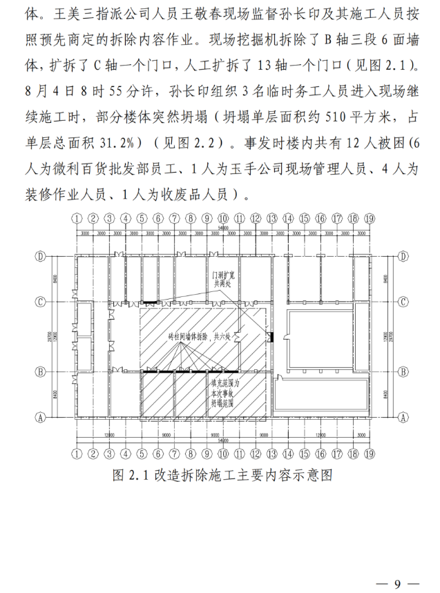
2020年8月4日8時55分許,位于哈爾濱市道里區城安街3號的哈爾濱市玉手食品有限責任公司庫房部分樓體坍塌,造成9人死亡,1人受傷,直接經濟損失2602.28萬元。

《調查報告》顯示,事故發生前,對該房屋一層承重墻體實施連續拆除作業,導致受壓承載力嚴重不足引起破壞,是導致該房屋結構發生局部坍塌的主要原因。
此外,該房屋拆改前的接建不合理、不合規,已存在較大的安全隱患,是導致該房屋瞬時局部坍塌的次要原因。

哈爾濱市玉手食品有限責任公司違法違規改擴建。在未取得建設工程規劃許可證,未組織勘察、設計,未將施工圖設計文件報送施工圖審查機構審查,未辦理工程質量監督和安全監督手續,未取得建筑工程施工許可證等情況下,將工程非法發包給個人,違法組織建筑施工活動。該違法建筑不符合規范要求,未經竣工驗收備案即投入使用。 承租方孫曉秋違法違規組織裝修施工。 施工方孫長印違法組織裝修施工。 挖掘機所有人董某某和挖掘機司機賀某某違法拆除墻體。 鄧某某、于某非法承攬建設工程。 施工方張某某、于某某違法施工建設。

《調查報告》顯示,玉手公司參與確定拆除改作業內容并負責裝修作業現場監督管理人員王敬春、違法承攬裝修工程負責人孫長印,涉嫌重大責任事故罪犯罪,鑒于其在事故中死亡,免予追究刑事責任。公安機關已采取刑事強制措施人員共9人 ,給予黨紀、政務處分和組織處理人員共25人。

























