8月6日內蒙古某電廠1號機組異常停運分析報告
一、事件分析
機組編號 | 1號 | 停機時間 | 2020年 8月 6日 00時19分 |
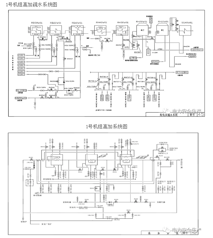
設備簡況: 內蒙古某電廠1號機組為俄羅斯進口超臨界、水氫氫冷機組,額定容量500MW,鍋爐為超臨界直流鍋爐,型號П п--1650-25-545БТ(П-78),汽輪機為北京全四維動力科技有限公司設計、南京汽輪電機(集團)有限公司制造,型號A550-23.54/540/540。機組配套8、7、6號三臺高壓加熱器,為原俄供設備,加熱器汽源分別取自1、2、3段抽汽。 8號高壓加熱器,型號為ПВ-1700-37-7 ,水側額定工作壓力37MPa,汽側額定工作壓力6.5 MPa,額定工作溫度345℃,水側流量1700±90 t/h,水側入口溫度為243℃ ,水側出口溫度為270 ℃ 。 7號高壓加熱器,型號為 Ц В-1700-37-4.5 ,水側額定工作壓力37MPa,汽側額定工況下工作壓力4.5 MPa,工作溫度為295℃,水側流量1700±90 t/h,水側入口溫度為200℃ ,水側出口溫度為243 ℃ 。 6號高壓加熱器,型號為Ц В-1800-37-2.0,水側額定工作壓力37MPa,汽側額定工況下工作壓力2.0 MPa,工作溫度為440℃,水側流量1700±90 t/h,水側入口溫度為160℃ ,水側出口溫度為200 ℃ 。 1號機組高壓加熱器疏水方式為8、7、6號高壓加熱器逐級自流,正常疏水至除氧器,事故疏水至凝汽器。 6號高加抽汽電動門前安裝有油壓逆止門及水壓逆止門;由于7號高加抽汽取自高缸排汽,未設置抽汽逆止門;8號高加抽汽電動門前安裝有水壓逆止門。高加保護及連鎖設定為任何一臺高加水位保護高II值動作,則開啟高加入口聯程閥保護水門RM546-1、2,開啟高加旁路門RL551,關閉高加水側進出口電動門RL549、RL550,關閉各高加進汽電動門RD540、RD542、RD543。高加跳閘后不聯關各抽汽逆止門。 | |||
事前工況: 機組負荷452MW,主汽溫度544℃,主汽壓力24 MPa,再熱汽溫542.5℃,再熱壓力2.24 MPa。兩臺汽動給水泵運行,雙引、雙送運行。8號高壓加熱器水位1808mm、抽汽溫度327℃、抽汽壓力4.66MPa;7號高壓加熱器水位1716mm、抽汽溫度278℃、抽汽壓力3.13 MPa;6號高壓加熱器水位1680mm、抽汽溫度449℃、抽汽壓力1.33MPa。 | |||
事件經過: 8月5日23時59分,8號高加水位由1800mm出現上漲,8號高加正常疏水調門RN554由64%自動開至98%。7號高加至到6號高加正常疏水門RN555由47%自動開至71.3%,6號高加正常疏水調門RN560由28%自動開至37%,7號高加水位由1700mm漲至1780mm,6號高加水位1680mm無變化。11小機調門由59%開至95%,12小機調門由62%開至99%。高加前給水量由1394t增加至1521t,高加后給水量由1384t降至1254t。 8月6日00時01分, 8號高加水位達到2580mm,高加水位保護高II值動作,高加入口聯程閥保護水門RM546-1、2開啟,高加聯程閥關閉,給水旁路電門RL551聯開,高加水側出入口電動門RL549、RL550聯關,各抽汽電動門聯關,高加跳閘后設計動作正確。運行人員手動全開6號高加疏水到凝汽器電門RN561,開調門RN562至56%,調整高加水位,避免高加高三值保護動作,同時令巡檢核實就地高壓加熱器液位計,發現8號高加水位繼續上升,最高達3960mm,7號高加水位由1780mm漲至2780mm,6號高加水位1680mm漲至1780mm后水位均開始下降。 00時02分,解除機組AGC,投入機前壓力回路。 00時04分,高加切除后,8號高加水側出口溫度降低7℃,7號高加水側出口溫度升高3℃,6號高加水側出口溫度升高5℃。機組負荷由450MW升至499MW,給水量增至1631t,汽泵調門突升至全開,給水自動跳閘。 00時07分,三段抽汽溫度降至219.2℃,壓力升至1.76MPa。 00時09分,檢查兩臺汽泵給水流量1438t/h,高加后鍋爐總給水流量1355t/h,聯系檢修人員搖嚴高加水側出入口閥門RL550、RL549。 00時10分,給水流量減至1195t,運行人員調整鍋爐汽溫、負荷。汽機值班員檢查主機TSI畫面汽輪機振動等參數無異常變化。 00時14分,檢查6、7、8號高加進汽電動門RD540、RD542、RD543全關位,調整各高加水位正常。 00時14分,一、二流道主汽溫度最低分別降至497℃、511℃后回升,檢查高中壓缸缸溫、主機TSI畫面振動、軸向位移、各軸瓦金屬溫度等參數正常。 00時15分, 檢查主機TSI畫面2瓦、3瓦振動上漲,檢查疏水系統,檢查中壓缸下缸溫度及進汽區溫度開始下降,巡檢就地檢查、核實。 00時19分,中壓缸上缸缸體溫度464.9℃,下缸缸體溫度293.7℃,上下缸體溫差171.2℃,汽輪機軸振大保護動作機組跳閘,最大振動值:主機2瓦X方向振動達到279um、Y方向振動達到222um,3瓦X方向振動達到261um、Y方向振動達到294um。檢查主機軸向位移及各軸瓦金屬溫度正常,運行人員緊急破壞真空,進行停機相關操作。 停機后檢修人員檢查6、7、8號高壓加熱器液位計正常(液位計采用差壓式液位計)。 | |||
原因分析: 1號機組8號高加管束泄漏,高加疏水水位突升,達到高Ⅱ保護動作值(2580mm),高加跳閘,6、7、8號高加抽汽電動門自動關閉,8、7號高加疏水自流入6號高加,因其溫度高于6號高加疏水溫度,加熱6號高加內疏水,導致疏水溫度上漲至對應壓力下的飽和溫度,疏水汽化,高加內壓力升高。同時由于3抽電動門未關閉到位(后經現場檢查確認該閥門未關閉到位,偏差約50mm),導致6號高加內疏水產生的濕蒸汽倒灌至中壓缸,中壓缸下缸溫度降低,上下缸溫差增大,中壓缸缸體變形,機組振動上升,中壓缸上下缸溫差增大至170℃,2、3號瓦振動值升高至跳機值,機組振動大保護動作跳機。 | |||
暴露問題: 1、檢修質量存在問題,1號機組3抽電動門檢修后限位整定存在偏差,導致3抽電動門未能正常關閉到位。 2、隱患治理不到位,1號機組8號高加2019年已經出現過由于水側泄漏而導致的停機事件,廠內沒有及時對1號機組8號高加管束泄漏問題進行徹底排查治理。 3、隱患排查不徹底,沒有排查出一期機組高加跳閘后不聯關抽汽逆止門的邏輯問題。 4、檢修管理不到位,重要閥門檢修關鍵驗收點制定不全,沒有將重要閥門定限位列入驗收項目。檢修人員責任心不強,閥門限位整定時未按標準工藝進行整定,導致隱患發生。 5、運行人員技術培訓不到位,監盤不認真,應急處理能力和經驗不能滿足生產實際需要。高加跳閘后沒有及時發現3抽蒸汽溫度及壓力異常變化的情況,未及時采取有效措施,致使事故進一步擴大。 | |||
防范措施: 1、對泄漏的8號高壓加熱器進行檢修,對泄漏部位周圍管束進行全面檢查,避免由于管束泄漏汽水吹損、管束碎片撞擊造成其它管束損傷。對1號機組所有高壓加熱器換熱管壁厚進行全面檢測,修后對高壓加熱器進行打壓試驗,確保修后高壓加熱器不發生泄漏情況。 2、重新整定1號機組三段抽汽電動門RD543開關位限位,確保三段抽汽電動門RD543開關到位,確保其嚴密性。 3、完善高壓加熱器疏水水位高Ⅱ值動作保護邏輯,增加高加跳閘聯關抽汽逆止門控制程序。 4、修編完善重要閥門檢修作業文件包,將閥門修后傳動定限位工作列入質檢計劃,并舉一反三,對其他檢修作業文件進行全面梳理完善。 5、強化檢修管理,落實檢修人員崗位職責,提高檢修人員責任心,嚴格考核,確保設備檢修質量。 6、加強運行人員事故預想及應急處理能力培訓。 7、利用本次高壓加熱器檢修機會,對高壓加熱器內部管束及焊口進行抽檢,評估1號機組高壓加熱器的運行可靠性,根據評估情況,制定后續方案,避免類似泄漏情況發生。 8、運行部門完善機組保護聯鎖傳動的檢查內容,并將檢查高加跳閘后保護動作執行情況的內容補充到機組運行規程。 | |||
二、防范措施落實表
序號 | 措施內容 | 責任 部門 |
1 | 對泄漏的8號高壓加熱器進行檢修,對泄漏部位周圍管束進行全面檢查,避免由于管束泄漏汽水吹損、管束碎片撞擊造成其它管束損傷。對1號機組所有高壓加熱器換熱管壁厚進行全面檢測,修后對高壓加熱器進行打壓試驗,確保修后高壓加熱器不發生泄漏情況。 | 檢修部 |
2 | 重新整定1號機組三段抽汽電動門RD543開關位限位,確保三段抽汽電動門RD543開關到位,確保其嚴密性。 | 檢修部 |
3 | 完善高壓加熱器疏水水位高Ⅱ值動作保護邏輯,增加高加跳閘聯關抽汽逆止門控制程序。 | 檢修部 |
4 | 修編完善重要閥門檢修作業文件包,將閥門修后傳動定限位工作列入質檢計劃,并舉一反三,對其他檢修作業文件進行全面梳理完善。 | 檢修部 |
5 | 強化檢修管理,落實檢修人員崗位職責,提高檢修人員責任心,嚴格考核,確保設備檢修質量。 | 檢修部 |
6 | 加強運行人員事故預想及應急處理能力培訓。 | 發電部 |
7 | 利用本次高壓加熱器檢修機會,對高壓加熱器內部管束及焊口進行抽檢,評估1號機組高壓加熱器的運行可靠性,根據評估情況,制定后續方案,避免類似泄漏情況發生。 | 檢修部 |
8 | 運行部門完善機組保護聯鎖傳動的檢查內容,并將檢查高加跳閘后保護動作執行情況的內容補充到機組運行規程。 | 發電部 |
三、附件
1號機組跳閘曲線






注意:
1、不要改變文件名和文件格式;“XX年XX月XX日XX電廠X號機組”標準寫法是“2019年01月01日示例電廠1號機組”。
2、分析報告以一個文件上報。
3、附件包括:SOE記錄,故障設備、零部件、現場的照片,故障過程的關鍵參數曲線等。
